Перейти к содержанию

Павел 3

Members
  • Постов

    17
  • Зарегистрирован

  • Посещение

  • Победитель дней

    1

Весь контент Павел 3

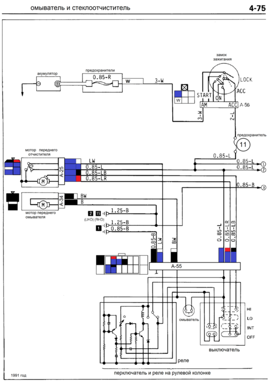
  1. Это часто моя схема ,именно моей машинки полностью мной нарисована
  2. Напомню колодка гитары на схеме A55 это только дворники , схему фар скинуть не могу потому что сильно переделал свою колодку , может в будущем
  3. может кому-нибудь пригодится Снизу желто-белый провод идет на приборку а точнее к спидометру
  4. не реально на флажковый поменять , греются все равно ниже ссылку посмотри https://www.drive2.ru/l/460850954007217544/
  5. Я ваще не электрик до всего допетрил сам . Кстати лаунч надо все вручную делать , автоматические поиски ничего не дают ( не находят )
  6. В фишке обд1 надо коротить 12 контакт и 10 контакт только после этого появляется к-линия на 1 контакте
  7. Вот посмотри и лаунч подключил и мультитроникс https://www.drive2.ru/l/460850129373497132/ https://www.drive2.ru/l/460850404251402463/ А мозг находится за ремнем безопасности прям в стойке авто . чуть надо обшивку снять
  8. Диагностика 1992 года мотор 4G64 С помощью лампочки , сканера launch , и бортовой компьтер мультитроникс MPC800
  9. Диагностика 1992 года мотор 4G64 С помощью лампочки , сканера launch , и бортовой компьтер мультитроникс MPC800
  10. Диагностика 1992 года мотор 4G64 С помощью лампочки , сканера launch , и бортовой компьтер мультитроникс MPC800
  11. Нет не закончил . 99 процентов закончено Осталось двери подключить и кожух на нее сделать
  12. Я свою продиагностировал easi idiag 1992 года машина Значит можно и вашу https://www.drive2.ru/l/460850129373497132/
  13. https://www.drive2.ru/l/460296525268910334/ Читаем здесь Татчик подходит от хундай соната галопер и ещё несколько На фото видно номер
  14. не ломайте голову вот вам ссылка от меня делика 1992 года позже и видео сделаю . дофига всяких даных показывает https://www.drive2.ru/l/453458662455771205/
  15. Короче почитал тему не верю я что из за вязкомуфты все дело. Но вот то что в трамблере дело скорее всего у вас было дело. Описываю свою ситуацию.Короче у вас я так понимаю трамблер стоит спереди двигателя у меня авто L300 и трамблер стоит сбоку . Короче трамблер не давал искру при -5 и холоднее тоесть машина просто не заводилась, но машина то нужна и я приловчился утром сразу открывал капот отрывал крышку трамблера и просто грел зажигалкой ,-4 трамблер, заведется машинка а холоднее -5 (борода тебе грей дальше) пришел трамблер вуаля с пол пинка в любой мороз . К чему я в трамблере всяко чтото от чегото отходило и температура стало все на свои места наверно и у вас также
×
×
  • Создать...