LIB
Members-
Постов
93 -
Зарегистрирован
-
Посещение
-
Победитель дней
4
Тип контента
Профили
Форумы
События
Articles
Весь контент LIB
-
Серега, для сбережения АКБ можно в схему врезать ещё один выключатель, а можно поискать "+" появляющийся при включении зажигания, но пропадающий при включении стартёра и подключить его к контакту №30 реле (вместо указанного на схеме провода). Кажись обогревы зеркал/стёкол, прикуриватель и магнитола так подключены. vol, вручную конечно проще, но... нечитаемые в солнечную погоду часы, экран климатконтроля и х.з. чего ещё - не айс. Да и включить/выключить(даже при работающем зуммере) ты (или я, или он) его рано или поздно забудешь. Об этой забывчивости в первом случае за определённую плату напомнит ГАИшник, а во-втором сосед, который милостиво даст тебе "прикурить" от своего АКБ. Дальний в штатном режиме включается в дополнение к ближнему.
-
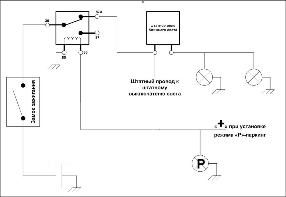
dragon, пробовал, но не едет почему-то. На схеме, при положении "паркинг" или отключении зажигания, принудительный ближний свет ОТКЛЮЧАЕТСЯ, во всех остальных положениях селектора АКПП и только при включенном зажигании должен гореть. По крайней мере я так пытаюсь сделать. Говорил же - не электрик я. Если чего-то не так - подскажи, что исправить.
-
Тихоход, вот что у меня получилось исходя из твоих мыслей и моих домыслов. Ты это имел в виду? Реле я предлагаю использовать обычное автомобильное пятиконтактное, типа такого:
-
О! Мысль хорошая, но исключающая возможность работы "только габаритных огней", включаемых штатным выключателем при работающем двигателе, хотя... может это и не очень нужно и важно...
-
Андрейка, этот вариант я рассматривал ( http://www.hella-russia.ru/Drivers/Tuning/DayLights/LEDayFlex.shtml ). Всё отлично за исключением цены... от 7 до 10 тыс. руб. Скоро, наверно, китайцы что-нибудь сбацают, а пока... пока 1 - 2 реле по 50 р. и пару часов времени решат проблему...
-
В связи с грядущими изменениями ПДД касательно постоянно включённого ближнего света http://news.yandex.ru/yandsearch?cl4url=www.rian.ru%2Fsociety%2F20100514%2F234490896.html , хочется слегка облегчить себе жизнь, а именно... В некоторых автомобилях (Форд "Транзит") можно сделать включение ближнего света (БС) при включении зажигания путём перестановки предохранителя в соседнее гнездо. В наших машинках такая "вкусняшка", к сожалению, отсутствует, а до вступления новых правил в силу осталось не так много времени, предлагаю в этой ветке подсобрать варианты переделки электросхем наших машинок. Задачка, собственно, и простая и не очень. Мне бы хотелось, что бы при включении зажигания включался БС, но подсветка часов, экран панельки управления климатом и (у некоторых) панель магнитолы не переходили в "ночной" режим, но при включении БС штатным выключателем - всё работало в обычном режиме. Сам не электрик, потому прошу кого-нибудь придумать такую схемку с конкретным указанием точек подключения к схеме наших машинок. Думаю, что это пригодится не только мне.
-
Вот, нарыл на нашем форуме похожую проблемку. http://www.delicaclub.ru/forum/index.php?/topic/4599-problemmi-s-termometrom/page__hl__???? Там, правда, про термометр и часы, но проблема, похоже, та же самая. Почитай.
-
А у тебя при включении габаритов ещё тусклее становится?
-
dragon, а от чего веерные ставил? Я видел на MB Sprinter стоят веерные, но крепятся они, как на американках на поводок дворника. Из НАШЕмарок форсунки на поводках имеет ЗиЛ Бычок, но они струйные, я даже прикупил и опробовал - фигня полная, а вот веерные... надо попробовать, но до разборок мерсовских никак не доеду...
-
На Делике не практиковал, а на VW Transporter ставил электрический сдвижной Webasto. Два года с ним отъездил нормально, пользовался достаточно часто. После 2 лет эксплуатации я пересел на другую машину, а у нового водителя начались проблемы. Сначала с моторчиком (перестал тянуть), потом люк стал подтекать по периметру по уплотнительной резинке. Всякие извращения с подгибаниями, подклейкой дополнительного уплотнителя и т.п. ни к чему не привели. Закончилось тем, что люк по периметру был проклеен скотчем к крыше, а обшивка потолка вокруг и возле люка безнадёжно испорчена. Самое серьёзный недостаток и отличие от штатного люка - отсутствие канавок по периметру и водостока (трубочки). В дождь пользоваться (приоткрывать) не получалось, в отличии от штатного люка на втором таком же автобусе. А так, да - прикольная штука.
-
К сожалению "нормальных", как дополнительное оборудование не бывает. Нормальным, на мой взгляд, можно считать лобовое стекло со встроенной внутрь стекла (между слоями триплекса) сеточкой из тоню-ю-ю-юсеньких проводочков по ВСЕЙ ПЛОЩАДИ СТЕКЛА. У знакомого такое стекло (VW Sharan) - вот это ВЕЩЬ!!!! А все эти наклейки - способ ускорить замену стекла. У меня стекло с обогревом - ни разу не пользовался, зимой стрёмно, а при плюсовой температуре нах не надь.
-
Не хочу отговаривать, но на мой взгляд, с металлическим (непрозрачным) бачком будет сложно контролировать уровень охлаждающей жидкости. Можно, конечно, какой-нибудь датчик уровня замутить, но это всё усложнение конструкции... Я б уж лучше от НАШЕпрома использовал.
-
Нашёл я чуть более дешёвое устройство. Называется оно "Сумматор видеосигнала VSC CRX-6001". Волшебная коробочка может коммутировать аж целых 3 видеосигнала и автоматически (при появлении сигнала (+12V) на одном из 3-х управляющих проводов) и в ручном режиме с прилагаемого пульта. Так же приобрёл маленькую цветную видеокамеру, с чувствительностью от 0,2 люкс и сразу с заменой объектива на 16-тимиллиметровый (чуточку приближает изображение и сужает угол обзора). Теперь дело за малым..., как и говорил dragon, действительно оказалось не просто найти монитор с хорошим разрешением экрана...
-
JONJ, а подробнее можно (может схемку, а может и предложение по изготовлению?)??? dragon, сегодня купил кабель "AV-кабель для HTC", подключил свой КПК к ОГРОМНОМУ телевизору - результат превзошёл ожидания - ВСЁ чётко, "до последнего пиксела"!
-
dragon, ну, например вот: http://www.betatvcom.dn.ua/KVS-100.shtml Кое что нарыл, но тоже цена кусачая. Если дешевле не найду, на этом придётся остановиться: http://www.tec-electronics.ru/page.html?p=3&id=273
-
Есть такая задачка, прошу помощи в её решении. Хочу приобрести НЕДОРОГОЙ автомобильный TV или монитор, и подключить к нему: 1. КПК с коаксиальным TV-выходом (для ПОСТОЯННОЙ трансляции изображения, а может и звука тоже, навигационной программы). 2. Видеокамеру Tantos TAB-3334c не знаю с каким выходом (для ЭПИЗОДИЧЕСКОГО обзора того, что находится впереди автомобиля – «обгонная» камера). Проблема в том, что у недорогих телевизоров, как правило, имеется только ОДИН ВИДЕОВХОД и отсутствует активация канала по наличию сигнала. Существуют ли в природе готовые устройства для коммутации видеосигналов. Т.е. постоянно транслируем один видео и аудио сигнал с КПК, а при появлении второго видеосигнала (при подаче напряжения на камеру с выключателя указателей поворота) – транслируем его, а после его отключения возвращаемся к изображению с КПК. (коммутаторы от охранных систем стоят оченно не бюджетненько…)
-
На злобу дня: http://forums.drom.ru/garazh/t1151202357.html
-
Нет его и не бывает. У Япов, видимо, воздух чистый. А мы теперь извращаемся.
-
ИМЕННО ТАК!!!!! Это обмёрзжший испаритель начинает оттаивать. А зачем его выключать-то? Или у тебя не климат-контроль (КК)? У меня КК и мне проще. Выставил температуру нужную и нажал кнопочку обдува лобового стекла.
-
Если б не проверял - не знал бы. Спасался не тёплым воздухом, а кондиционером (он сушит прогоняемый через него воздух).
-
Jumper: "С фильтром, мнение автора, эта заслонка вообще не нужна весь снег и вода будет оседать на нем." Вот именно будет!!! А как только на фильтре "осядет" вода - лобовое стекло запотеет и станет "матовым" (ну, матом ты его крыть начнёшь). Вот тут-то заслоночка и помогла бы, ан нет - заблокирована....
-
А пластина эта целая от низа до верха?
-
Мужики подскажите, пожалуйста, что делать. Заметил я, что на боковом стекле (сразу за водительской дверью) появились два таких вот, как на фотке, воздушных пузыря. Если рукой придавить стеклышко, пузыри исчезают, но не полностью и ненадолго. Эпизодически, после мойки, там скапливается вода и замерзает, после размерзания пузырь становится больше. Вопрос, собственно, простой – чего с этим делать? Чем и как клеить или просто герметика силиконового (черного) туда вдуть, но вот как? Сталкивался ли кто-нибудь с подобным явлением?
-
Девяткин, удалось ли поставить ВАЗовские пружины назад? Если да, то, как впечатления и сколько обрезал?
-
А я использовал кусочек П-образного аллюминиевого профиля, который вставлял в распор между креплением штока дверного амортизатора к кузову и корпусом (телом) самого амортизатора. Ширина профиля должна быть чуть больше диаметра штока амортизатора, а длинна равна его длинне в полностью вытянутом (открытом) положении. Места в салоне практически никакого не занимает, да и лишняя железка "на всякий случай" не помешает. А в швабре, на мой взляд, есть 2 минуса. Первый - занимает место, а второй - косую распорку рано или поздно сносишь или плечом или головой и получаешь по тому же месту ещё и дверью.... хотя..... если в каске....
