Перейти к содержанию
 

Medtehnik

Members
  • Постов

    75
  • Зарегистрирован

  • Посещение

  • Победитель дней

    1

Medtehnik стал победителем дня 15 января 2023

Medtehnik имел наиболее популярный контент!

Информация о Medtehnik

  • День рождения 17.10.1967

Старые поля

  • Автомобиль
    PE8W,4M40EFI,AKПП,1999г. лифт 2,5" super exsid, лестница
  • Место жительства
    Хакасия, Абакан

Посетители профиля

2 815 просмотров профиля

Достижения Medtehnik

  1. Как то я зимой не проверял на запуск без подогревателя. У меня стоит Динар-5. Вещь хорошая
  2. Всегда при выходе стабилизатора из строя в пути или при других причинах все можно вернуть назад подключением МАФа к штатному разъему
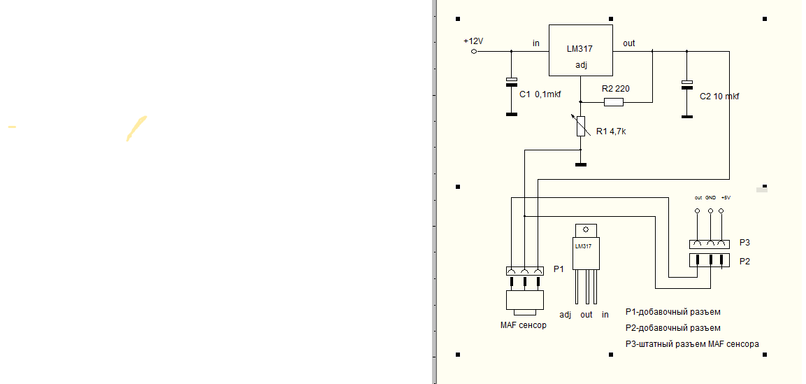
  3. Рекомендации по настройке опорного напряжения: после монтажа стабилизатора на машину надо отключить маф от штатного разъема, включить зажигание и выставить на стабилизаторе 5 вольт. Выключить зажигание. Подключить МАФ согласно схеме на дополнительные разъемы. Включить зажигание и замерить опорное напряжение на МАФе. Оно как правило будет ниже 5 вольт, просадка напряжения под нагрузкой. Потенциометром выставляем 5 вольт. После этого надо прокатится, т.е. по идее ничего у нас не поменялось. После этого при включенном зажигании потенциометром снижаем опорное напряжение, здесь конкретно для каждой мащины снижаем по 0,1 вольта и пробуем на ходу, смотрим по дыму. Конкретно у меня опрное напряжение получилось 4,2 вольта. Удачи
  4. На Р3 на третий провод приходит опорное напряжение 5 вольт с ЭБУ на МАФ , а в нашем случае опорное напряжение берется со стабилизатора и подбирается регулировкой и приходит оно на Р1, непосредственно на маф сенсор, а на Р2 с сенсора приходит общий провод GND и сигнал
  5. Здравствуйте. Маф сенсор прикручен к интеркуллеру и присоединен к пневмодросселю тоненьким шлангом . Пневмодроссель находится на впускном коллекторе. На первом фото маф сенсор (по другому датчик абсолютного давления) и дополнительные разъемы, на втором корпус с радиатором, где находится стабилизатор на фото видна ручка потенциометра. Плюс стабилизатора у меня подключен к 9 предохранителю, т.е. на котором появляется питание при включении зажигания.
  6. Здравствуйте Всем. Выставляю на Ваш суд следующую тему. Наверное все кто занимался ремонтом электронного ТНВД в гаражных условиях столкнулся с некорректной работой сего агрегата. Машин поддымливает, жрет солярку, тупит и т.д. Каких то рекомендаций по настройке электронного ТНВД практически я не нашел. Есть тест планы по настройке механических ТНВД на стенде. Если где то я не прав -поправьте меня. В моем случае после замены практически всех деталей в ТНВД не мог добиться нормальной его работы. Еще в 90 годах прошлого столетия на старых бензиновых японках чтобы уменьшить жор топлива снижали опорное напряжение на MAF сенсоре, и добивались немного снижения расхода. У нас на ефишных Деликах и не только на MAF сенсор приходит оп0рное напряжение 5 вольт. Понижая его, на выходе с датчика получаем заниженное напряжение, которое поступает в ЭБУ. Таким образом при определенном количестве воздуха, на выходе с датчика получаем заниженные значения. На своей Делике собрал регулируемый стабилизатор на LM317 и путем настройки выставил опорное напряжение 4,2 вольта. В результате пропал дым , снизился расход солярки с 15 литров до 12 . На динамике машины практически не отразилось . Схема стабилизатора стандартная, ничего сложного. Можно на выходе поставить стабилитрон на 5 вольт, чтобы по запарке не загубить маф сенсор. Чтобы не портить проводку использовал два дополнительных разъема, подходят от вазовских трамблеров с датчиком Холла. Отвечу на все вопросы.
  7. Я в предыдуших постах выкладывал фотки с описанием, когда генератор на стенде. Вроде все ок, а на машине какая то хрень. С новым генератором проехал около 1000 км пока вроде живой. Был бы где то коротыш давно бы выгорел. Поезжу еще может вылезет, тем более через неделю полезу в горы на Шаман запасной гену с собой возьму.
  8. Он нагревается гораздо быстрее двигателя
  9. Здравствуйте всем. Получил генератор, поставил подошел как родной. Уже почти месяц работает нормально, но греется не слабо. Заборол родной генератор заменой статора пусть лежит в запасе
  10. Знать бы. А на будующее что можно у тебя приобрести?
  11. Заказал ALM 1617UX цена 11200 ждать неделю Геныч меня завел... все таки не оставляю надежды забороть его
  12. @АЛЕКСЕЙ222 Спасибо. А он идет с каким шкивом? У меня под два ремня профиль А
  13. Понял,спасибо.А что брать? с разборки смотреть ревизировать. Скорей всего так и придется делать
  14. Здравствуйте. Поиски истины продолжаются. Подтащил стенд к машине, подключил амперметр (мультиметр) в разрыв плавкой вставки на 100 А, включил эл.помпу от Бинара, завел двигатель, запустил генератор на стенде и вот что у меня получилось: 1. 10 А отдает генератор в сеть(амперметр на стенде) 2. около 4,5А забирают аккумуляторы(мультиметр) 3. генератор греется в разумных пределах Да чуть не забыл-обороты двигателя на стенде 1500 об/мин. Ставлю генератор на машину, лампочка зарядки гаснет, напряжение в сети с включенными фарами и печкой всего 12.6 V. Капец. Покупать четвертый РР за 3 месяца -раззор. Придется наверное заказывать целиком генератор. На Автодоке бьется генератор Stellox 06-10775-SX вроде Германия. Кто нибудь юзал это чудо? Цена его около 8 рублей
×
×
  • Создать...