-
Постов
60 -
Зарегистрирован
-
Посещение
-
Победитель дней
4
Тип контента
Профили
Форумы
События
Articles
Весь контент shpuntik1
-
приспосабление для затяжки универсальных ленточных хомутов, которые обычно идут вместе с пыльником. хомут надевается на гранату, конец хомута просовывается в прорезь болта. тонким концом приспособления упираются в петельку хомута и ключом его затягивают. когда затянули перегибают конец хомута через петельку, ну а там как обычно фиксируют и отрезают. можно конечно и простой отвёрткой с плоскогубцами это сделать , но это не наш метод. ведь из за плохой затяжки хомута пыльники часто проворачиваются, слетают.
-
вот такое устройство для затяжки ленточных хомутов при замене пылиников шруса. нужно: две гайки под ключ на 17, болт М8 длинна 35, гайка М8, кусок железа толщиной 2мм, + болгарка и сварочный апарат + ножовка по металлу. в болту пропиливаем прорезь под хомут. как пользоватся можно догадаться. в результате получаем надёжно затянутый хомут, что не мало важно. если у когото есть какиенибудь самодельные инструменты делимся опытом.
-
в общем купил smd светодиодов и спаял лампочки сам . поставил в противотуманки. авто свет переделал с ближнего на противотуманки. вот так и езжу. я думаю что европейцы тоже не дураки на последних моделях автомобилей делать светодиодные ходовые огни.
-
от полнрприводной мост не подойдёт. у них крепления разные. у 4wd мост стоит с низу рессоры , а у 2wd лежит на рессоре.и тросса на стояночный тормоз у них разные, система другая. ищи от не вэдовой делики трак. у них бывает такое передаточное число.
-
раскажу ещё одну историю произошедшую на новогодние праздники. к митсубиси делике она не относится но я думаю многим она будет полезна, а может комунибудь и поможет. у знакомого заклинил мотор на киа соренто дизель. восстановлению он не подлежал поэтому купили контрактный за 110 т.р. перед установкой на авто решил проверить свечи накала на исправность . так как свечи у этих моторов часто отламываются при выворачивании. все свечи оказались неисправны. выкрутилась только одна свеча у остальных трёх кончики отломились. у отламышей диаметр 4 миллиметра и длинна 15 мм. первый кончик свечи протолкнул внутрь цилиндра. у этого мотора форкамеры нет поэтому кончик свечи попадает прямо в цилиндр. рыбалка магнитом на проволочке через форсуночное отверстие результатов не дало. поэтому решил что это не наш метод и стал искать другой способ. купил сверло на 2мм и метчик 3мм. приварил к ним прутки для удлинения просверлил в заломышах глухое отверстие и нарезал резьбу. продул всё хорошо воздухом для удаления стружки. залил в свечные колодцы ацетон для размягчения нагара. ввернул метчик снова и лёгкими ударами молотка сдвинул обломыш внутрь цилиндра и он легко вынулся из головки. так же был удалён и следующий заломыш. а вот первый никак не получалось извлечь из цилиндра ни сжатым воздухом ни магнитом. я отчаялся и решил снимать голову рискуя потерять гарантию на контрактный мотор. поиски прокладки под голову на новогодние праздники оказались затруднительными и орегинальной прокладки я не нашел. по этому вскрытие головки отложил. гениальное решение пришло в ночь на рождество, приснилось во сне. а что если мотор перевернуть вверх тормашками ведь он у нас не на машине. . на следующий день снял впускной коллектор повернул коленвал так что бы впускные клапана полностью открылись . при помощи ручной тали поднял мотор вверх поддоном. запихал в цилиндр трубку пвх и дунул в неё компрессором и обломыш у меня в руке ! радости моей небыло конца . теперь и гарантия есть и денег сэкономил. в общем из самого сложного положения должен быть выход нужно только не отчаиватся .
-
всех с новым годом. новогодние праздники, занятся нечем. раскажу ещё одну историю ремонта. произошла она в лихие 90-е годы. в ремонт попал Паджерик с пробуксовкой сцепления. казалось всё элементарно,скидываем коробку меняем диск сцепления и все, но на самом деле оказалось всё немного сложнее. коробку скинул, снял корзину. на диске сцепления уже и заклепки стёсаны. нового диска не нашли. в те годы с запчастями на иномарки были большие проблеммы. не беда , подбираем накладки и переклёпываем на старый диск. благо состояние его бало хорошее. осматриваю корзину на предмет отсутствия трещин в нажимной пружине. всё нормально. скидываем все на место, заводим , скорости не включаются! что за чёрт в чём ошибка? видимо накладки наклепал толще чем положено и не хватает выжима сцепления. и началось творческое мучение. не буду описывать все процедуры изыскания неиправности. молодость и дурные руки не давали покоя умной голове . в общем коробку пришлось снимать пять раз и даже её разобрать чтобы убедиться что в ней всё исправно. голова распухла от хитрой загадки. в общем логически я пришол к выводу что причина в самой корзине сцепления и её нужно менять. корзины естественно нигде не было , а починить очень было нужно, так как хозяева машины были люди "суровые и серьёзные". и я занялся углублённым изучением принципа работы корзины сцепления. оказалось что я не привильно понимал принцип её работы и процессы которые в ней происходят при выжиме сцепления. выяснилось что основная мембранная пружина отвечает только за прижим нажимного диска к ведомому. при выжиме педали сцепления она только освобождает нажимной диск, а отводят ведущий диск от ведомого именно три пружинящие пластины , которые соединяют кожух корзины сцепления с нажимным диском. а я ошибочно полагал что они просто соединяют эти части. это я сейчас знаю что они называются тангенциальные пружинчатые пластины , а тогда приходилось доходить до всего самому ведь информации и книжек тогда по иномаркам было мало. так вот причина была именно в них. из за буксования и сильного перегрева сцепления произошел их так называемый "отжиг". они потеряли упругость и из пружинных пластин превратились в простой металл. решение оказалось простым. заклёпки были отсверлены. пластинки были сняты подрихтованы и закалены в масле. потом приклёпаны на место. и все чудесным образом заработало. ват такая история ремонта. вот такие были девяностые годы. не хочеш получить пи...лей думай лучше и соображай быстрей. и обмана в сервисах почти небыло.
-
неделю назад мерил компрессию на митсубиси паджеро спорт 2007 года выпуска двигатель4д56т на горячую 36 кг\см3 во всех целиндрах одинаково.
-
очередной случай с митсубиси делика трак 4d56t . клиент жалуется - при заводке на холодную посторонний стук в моторе. при прогреве пропадает. спрашиваю когда появилось? говорит недавно. при каких обстоятельствах? куда лазили в последнее время? отвечает неделю назад перескочил ремень грм, но он отдавал её в сервис там всё устранили за два часа, клапана не загнуло. от этого и начал я плясать. причиной оказалась невнимательность сервисменов или их безолаберность и незнание конструкции мотора. причина в пятом бугеле распредвала а точнее отсутствие его части через которую подаётся масло из головки в ось коромысел и смазывается распредвал. на первой пастели распредвала уже начали появлятся задиры от маслянного голодания, благо не критичны и неисправность вовремя обнаружили. на холодную масло густое и в ось коромысел попадало плохо отсюда и стук , когда прогревалось и разжижалось попадало лучше и как-то ещё смазывало. бугель поменяли. хорошо что хозяина машины этот стук насторожил и начали искать причину. если бы ещё поездил заклинило бы распредвал и голову в помойку. как говорится в пословице - хороший стук всегда наружу вылизет, но лучше побеспокоиться заранее - дешевле выйдет.
-
причина скорей всего негерметичность сальников или неисправность сапуна - следствие отсутствие в редукторе масла - перегрев - посторонние шумы. проще купить контрактный так как после ремонта всё равно будет гудеть.
-
снимаем приборку, разбираем, вытаскиваем плату тахометра.пропаиваем всё заново. как правило помогает. очень часто встречается плохой контакт в колодке соединения приборки ,пошевелиш и тахометр заработает.
-
всё просто,при смене полярности направление вращения стартера не меняется.сегодня специально проверил. потому и завелась.
-
да дизель кирпич старый ,но первый раз она на "косячном" АКБ завелась , колбасило сильно , работала плохо и недолго как будто троило . я тогда этому значения не придал.
-
газовая труба сейчас воздушкой не кидается . там документы года два собирать будеш, получение разрешения,получение техусловий,разработка проекта . а кинуть трубу метров 50 обойдется примерно в 100 т.р. самому закапывать её никто не даст.
-
еще один курьез случившийся на днях. приходит сосед по гаражам помоги что то с электрикой. при включении зажигания ничего не светится ,стартер крутит а не заводит. начинаю распрашивать что когда делали , куда лазили , когда появилось. расказавает историю что машина не его а тестя , тесть умер. прошло полгода оформили наследство машину решили продать. нашелся покупатель на следующей неделе оформлять ,а аккумулятор сел даже лампочки не светятся. взял он зарядное устройство у знакомого, правда самодельное и поставил в гараже заряжаться на двое суток. после зарядки ставит акб на машину и замечает что при подключении сильно искрит. спросил у когото почему? ему мол потребитель какой то включен ,порезче надевай и все. так он и сделал. откудато с низу дымок пошел, но после повторного подключения искрить перестало. правда заводится не хочет. вот с такой предисторией начинаю решение проблемы. выясняется что погарело пара предохранителей ,не работает магнитофон и сигнализация. сигнализацию ампутирую (восстанавливаю штатную проводку на отсечной клапан топлива) включаю зажигание и завожу. завелась но лампа зарядки горит. проверяю "цешкой" зарядки нет. глушим ,снимаю генератор, выпрямительный мост превратился в угли. меняю его на новый и заодно прозваниваю якорь, статор, регулятор. спрашиваю у хозяина ,наверное ты при подключении полярность попутал . тот нет ни в какую , неможет быть и всё мол ,иначе проводов не хватает. ставлю на место , начинаю накидывать клеммы на акб . смотрю при касании клеммы искрит причем похоже на короткое замыкание. если надеть всё сгорит заново,тобиш причину не устранили. ещё пару часов манипуляций с отсоединением и подсоединением проводов замена "жучков" на родные предохранители,результата ноль. уже появились мысли что перезарядил акб ,и там не 12 вольт а намного больше. решил померять ещё. цепляю мультиметр,да нет 12.2 вольта ,и тут осиняет ,что за чёрт на дисплее перед цифрами минус. не может быть ,поменялась полярность АКБ чтоли? точно! на плюсе минус , а на минусе плюс. ставлю другой акб, завожу зарядка есть. только неработают магнитафон,тахометр,сига. у соседа глаза на лоб лезут не может полярность поменятся . я ему объясняю: все элементарно,акб разряжен был в ноль ,а ты когда зарядное подсоединял полярность попутал. никому бы и в голову не пришло с перепутанной полярностью заражать акб двое суток. подсоедини говорю лампочку и разряди его в ноль а потом правильно заряжай. на этом мы и расстались, дальше с неисправностями я разбираться уже не стал. если бы вместо предохранителей не было бы жучков то погарело бы на машине потребителей меньше. для меня одно осталось загадкой, почему двигатель завёлся? хотя после такого случая я уже ни чему не удивлюсь.
-
при замене ГРМ не жмите денег на новый болт коленвала и очищайте от ржавчины торцевые поверхности шкива и звёздочки колена (поверхность которой они соприкасаются друг с другом) если этого не делать в перспективе вырывание (отварачивания ) болта и разбивание шпонки. опыт из долголетней эксплуатации 4D56. некоторые садят болт на резьбовой герметик но был печальный опыт отламывания болта при отворачивании. может быть мазать нужно в меру.
-
по регулировке тнвд всегда проверял и реулировал в "бош дизель сервис " на Семиреченской 100. стенд у них там хороший . делают качественно все по технологии . рекламаций не разу небыло. делают только механические насосы. откатать на стенде тнвд около 1700р. за EFI не берутся как другие.и правильно делают.потому что в омске нет таких стендов ,в россии их всего несколько штук.
-
небольшой отчёт по отоплению на дизельном котле "гидроста". за сутки выходит в среднем 6 литров.режим работы ; утром прихожу включаю в режим "по температуре ". ставлю 13 градусов работает в автоматическом режиме нагнал температуру отключился.на панели управления котла показывает 13 градусов , по факту градусник ртутный в гараже +15. нагоняет примерно за час. вечером ставлю в "спящий режим "( 2 минуты работает 58 минут отдыхает за ночь сжигает 1 литр )утром прихожу в гараже +8. причем самое интересное что при -30 ночью на улице, в гараже утром +7. утром опять переключаю "по температуре ". шума издаёт мало . у соседей дизельная тепловая пушка так друг друга плохо слышно. очень удобно что есть автоматика совсем не отвлекает от работы. огорчает одно что соляра подорожала 24 рубля уже. брал раньше по 13 потом по 17. в месяц выходит примерно 3000 р. для сравнения ТГК11 прислало по энерции долг по теплу за октябрь 3600,это когда даже снега небыло. сейчас ищу выход на печное топливо с нефтезавода,оно дешевле. в принципе пока доволен.
-
всё понятно .спасибо за ответ. может тогда как вариант поставить их в противотуманки и пусть они включаются днём вместо ближнего.
-
при установке акб в 210 а\ч в багажнике поаккуратней с силовыми проводами. если гденибудь со враменем замкнет мало не покажется.
-
после принятия новых ПДД при езде сближним светом фар на второй день сгорела лампочка.не то чтобы денег на лампочку жалко, менять их геморно фары снимать (саморезы ресничек плохо откручиваются обычно приржавлевают ) аккумулятор пришлось купить новый,так как по весне покупал акб Б/у за 700 рублей, на котором успешно заводился пока не сделал авто свет. скорей всего умер он от того что езжу не долго (завел доехал до работы заглушил) при включеном свете фар не успевает принять зарядку. думаю что включенный постоянно ближний свет будет укорачивать срок службы аккумулятора и генератора плюс нагрузка на проводку . поэтому задумался приобрести светодиодные лампы ближнего света. потребление у них не большое срок службы больше , а вот на сколько ярко они светят большой вопрос? на каком то сайте читал со стороны кажется, что светит ярко, но на дороге свет слабый . если кто нибудь ставил такие напишите отзыв о яркости и производителе. цены у них от 370р до 1400 р за лампу , не хочется потратить деньги в пустую.
-
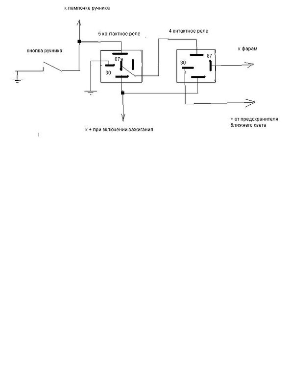
на кирпиче с мкпп делал так.питание от ручника два реле. одно четырёх контактное второе пяти контактное.при опускании ручника свет загорается если включено зажигание.
-
при регулировки форсунок смотрим номер на корпусе если 0010 то давление регулируем 120-130 кг если 0180 то 150-160 кг.последние идут как правило на двигателях с 1994 года. давление регулируется шайбами причём ставится только одна (ни каких подкладок из щупов и т.д.)при установке форсунок в головку уплотнительные шайбы ставим все новые ..
-
шланги на подогреватель лучше подобрать на разборе контрактные и хомуты тоже. стоят копейки( иногда отдают и бесплатно ) зато качество японское не деревянеют через сезон как те что идут с подогревателем.
