valday
Club Members-
Постов
1 352 -
Зарегистрирован
-
Посещение
-
Победитель дней
5
Тип контента
Профили
Форумы
События
Articles
Весь контент valday
-
Почему рвёт место крепления верхних передних рычагов - накручивание торсионов повышает нагрузку на это место, так как у нас торсионы на верхних рычагах. На рамных нагрузка на раму, т.к. торсион на нижний рычаг. Ставим мы колёса с большим вылетом и широкую резину - рычаг от торсиона до перпеникуляра приложения силы становится длиннее, тем самым торсы просидают от увеличения нагрузки, ну мы же не глупые, мы ещё подтянем торсионы. Тем самым ещё сильнее давим на верхний краб при ударах на кочках. Ну и тяжёлые колёса тож должны помогать всё это дело ломать. Так что думаем перед тем как накручивать торсы
-
MaLeR®, спасибо за попытку объяснить как устроена гидравлическая ходовка ситроена, но я честно не въехал как она устроена Да и незачем такие сложности мне, вроде простая задумка временно "накручивать" торсион с помощью гидравлики. Только не крутить болт регулировочный, а тянуть гидравликой.
-
А подробнее! Как реализована была? Не вариант, так как на какую высоту каждый закрутится не отследить (если только в крайних положениях микрушки ставить), да и резьба офигеет от этого, надо чехлы будет одевать и смазкой заполнять резбовую часть. Просто у меня на работоте есть гидроцилиндры, которые управляют заслонками, если они заклинят, то сварачивает металл, давление там 70-140 кг рабочее. Рукой я те заслонки не поверну, без снятия концевых стопоров. Вот и подумал, почему бы такие гидроцилиндры не применить к торсионам? опускание то будет штатными гайками регулироваться, а подъём как угодно в пределах возможного. Вроде всего-то надо приладить 2 гидроцилиндра к регулировкам торсионов подать жижу на них под давлением не меннее какого-то, ну и спуск жижи тоже предусмотреть конечно
-
либо датчик скорости, либо тпс, либо мозги, либо проводка между ними
-
У меня подушки тоже живые, но просевшие на половину. Вроде дальше пока не просаживаются
-
не проблема ли в сальнике и завоздушивании тнвд? у меня тож на холодную зимой заводился отлично, с прогревом глохла, поменял сальник, отрегулировал давление подкачивающего насоса и вуаля, всё окейно Кстати давление плунжир качает как новый, тьфу-тьфу-тьфу
-
Классный тракторишка Даж самому захотелось такую
-
Интересно как проставки выглядят на подрамнике!
-
Ставте карб от двигла с похожим объёмом и мощностью, проблем меньше будет!
-
Вот перестань ждать и всё приедет сккорее
-
Да зад я и не хочу лифтовать, если что можно гидрприводы плоские замутить между лонжероном и чашкой верхней пружины, но не вижу смысла для проходимости по грязи! Насос вроде можно использовать от гидравлики рулёвки. Фигня в том, что рычаг короткий где регулировка торсов под брюхом и возможно усилие там не хилое нужно приложить, сильно удлинять не получится, регулировка станет малоходной. Надо посмотреть что там с местом под брюхом и какие гидроприводы можно применить по размерам. Как они выглядят у ситроена?
-
При лифте хорошо бы крепиться к местам проставок у подрамника и креплению кенга, покрайней мере на вытягивание точно не порвёт. Думаю и с уголком если сделать, то и оторвать вниз не должно...
-
Я когда был на развале-схождении, то в боксе была моя делика и рестайловая в стоке. Я был удивлён маленьким диаметром задних аммо, у меня почти в 2 раза толще! Перед не сравнивал, да и там особо места нет для толстых аммо. Аммо от сафаря и бигхорна (или террано) ставить можно только при лифте и желательно отбойники поднять выше. У меня каяба, если что, длинно стандартная..
-
короче тот-же "колдун", только с постоянным усилием не зависимым от загрузки зада
-
Смотри под брюхом шланги
-
Похоже даже Юре скучно небыло, чего хотели, то получили хорошо покатались
-
Гидроцилиндры на халяву возможно достать.. Регулировать по давлению так же как и на пневматике, только цифры другие Можно просто от одной магистрали запитать на оба.. Скидывать естественно через отдельный клапан (у меня есть ручной с плавной регулировкой пропускной способности) в расширительный бачёк. Итого трубопровод на подачу и ответвление от него через клапан на спуск жижи. Вопрос в том - какое усилие необходимо развить на гидроприводе и подойдут ли те, которые я смогу достать на работе?
-
блокировок явно не хватало ещё фоток ждём
-
Задок в данном случае лифтовать особо смысла нет, там мост и просвет не изменится, хотя можно замутить гидроцилиндр под верхнюю часть чашки пружины, но где такой цилиндр взять я не знаю. Придётся ещё бачёк гидравлики делать больше значительно. Конечно можно попытаться вндрить пневматику в передок, но я пока слабо себе это представляю.
-
были темы про пневматику в ходовку делики, но тут чел один "самоделкин" (не путать с нашим) поставил кроун маджесту на трубчатую раму с торсионной подвеской на все 4 колеса. всё самодельное, родной только двиг и кузов. там интересно торсионы находятся внутри труб рамы, но не об этом сейчас.. Чел предложил менять просвет авто "накручиванием" торсионов из салона с применением гидравлики. Вот и я задумался данной фигнёй В общем имеем машин почти в стандарте, но имеем возможность для преодоления грязюки поднять передок на время. В большей части времени машин у многих ездит по асвальту или около того и не требуется лифтовка с увеличением жёсткости передка, а изредка для вылазок на окраины природы нужен лифт. Тем самым берегём переднюю ходовку от постоянных больших углов работы с повышенной жёсткостью, но и можем лифтануться в течении минуты не залезая под авто. Нормальное положение так же ограничивать болтами, тем самым возвращая в исходное положение и развал-схождение, и как-то замутить гидроприводы туда-же. На работе есть такие приводы, работают на давлении до 150 кг/см, но какое усилие будут развивать и какое необходимо мне не известно. Ну гидравлику использовать от рулёвки.. Какое там хоть давление? вроде говорилось про 70 кг/см.. Может идея и бред, или требует много переделок. Обрисуйте невозможность сего, если оно так!
-
vizit, скинь фото как поставил и как выглядеть стала!
-
Если подрывает клапан подавлению, то следует что нужно отрегулировать на турбине перепускной клапан. Хотя можно давление померить для определённости, мож клапан спускной уже не держит. Какое у нас должно быть давление от турбины??
-
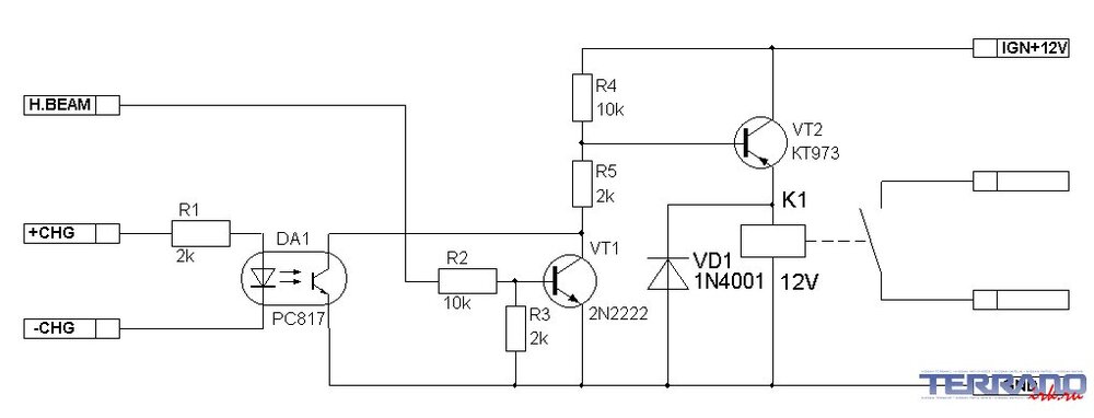
У нас давно такие диодные фонари народ пользует, думал чисто в прикол вешают.. Есть диодные круглые плафоны, типа в салон люстра (ну как фонарики есть такие с отражающим слоем под каждый диод), вот и пришла мысль поставить такие, типо под туманки.. Вот то, что поставить их самому нельзя, вот это вопрос, хочется включать такие фонари отдельно от габаритов, а это типа вмешательство в конструкцию.. Блин, поставлю нафик диоды во все габариты, не хочется жечь фары днём, нафик лишний расход, а то потребление штатного ближнего 110 ближний + 20 задние габариты + 10 (вроде) передние габариты + 10 подсветка номера = 150 ватт. А если ещё кондей крутится? Диодами можно снизить потребление тока, но часто сила света хуже. Продаются диодные наборы под лампу, раскрывается как ромашка. Вставляется в отверстие под лампочку, а там пружинками распрямляется 4 лепестка с набором диодиков.. Думается в задние фонари должны хорошо встать и светить. - вот схемка с сайта терранов, ну и тема там та же есть Мож кому поможет, я лично хочу одной релюшкой дополнительной (а мож и без неё) пользоваться на диодный свет, заведённой на питание зажигания (от чего магнитолла питается например)
-
Повезло, дождь прошёлся Есть вероятность что Юре скучно не будет
