Demiurge Опубликовано 21 июля, 2011 Жалоба Опубликовано 21 июля, 2011 Так и есть - нагретый мост через сальники воду засасывает. Так что выводи сапуны наверх Цитата
energ Опубликовано 28 августа, 2011 Жалоба Опубликовано 28 августа, 2011 (изменено) Шнорхель Риф Изменено 5 сентября, 2011 пользователем Каторга Цитата
Vietnames Опубликовано 30 августа, 2011 Жалоба Опубликовано 30 августа, 2011 kotya, я фигею! Дети купаются, пляжик... И машина катается по воде Цитата
sam Опубликовано 30 августа, 2011 Жалоба Опубликовано 30 августа, 2011 Vietnames, осталось только помыть машину,прямо здесь. Цитата
Ragnit Опубликовано 3 сентября, 2011 Жалоба Опубликовано 3 сентября, 2011 Всем доброго. Коллеги, передо мной не стоит сейчас вопрос об установке шноркеля (я уже покупал у Олега из Казахстана онный девайс, но хорошо подумав - отказался от этой затеи и продал его нашему одноклубнику, жаль стало машинку дырявить). Броды я тоже не собираюсь часто преодолевать, но вот раз-два в год выезжаю на рыбалку, где по дороге в одном месте надо преодолевать ручей (он разливается иногда, когда уровень воды в реке повышен). Наибольшая глубина в том месте около метра или чуть поболее, протяженность метров 10. Так что встает вопрос: машину бросать и топать пешком, либо рисковать. А вот такая мысль у меня появилась: в лючке, что за водительским сидением проделать коронкой отверстие, закрепить герметично в нем пластиковую трубу (диаметр трубы должен быть соизмерим с пластиковой трубкой, что на фильтр воздушный одевается), затем с помощью резинового шланга или гофры соединяем вход фильтра и трубу в лючке. Т.е. в случае если надо преодолеть брод, снимаем родной лючек, ставим вместо него продырявленный с трубой и вперед. Естественно конструкцию надо собирать с учетом выполнения требований герметичности. Ваше мнение? Цитата
Vietnames Опубликовано 3 сентября, 2011 Жалоба Опубликовано 3 сентября, 2011 Категорически запрещено устраивать забор воздуха для двигателя из салона автомобиля. Есть несколько моментов, которые могут сильно испортить жизнь экипажу при затоплении машины. Цитата
Ragnit Опубликовано 3 сентября, 2011 Жалоба Опубликовано 3 сентября, 2011 Категорически запрещено устраивать забор воздуха для двигателя из салона автомобиля. Есть несколько моментов, которые могут сильно испортить жизнь экипажу при затоплении машины. Объясни, пожалуйста, почему. Ведь речь не идет о заборе воздуха из салона постоянно и заплывах по самое лобовое стекло, к тому же 99% гарантии что машинка не встанет там из-за грунта. Необходимо всего лишь на 10-15 метров избежать гидроудара, это займет всего 15-20 сек по времени. Ну а после преодоления сделать забор воздуха как обычно. Цитата
Vietnames Опубликовано 3 сентября, 2011 Жалоба Опубликовано 3 сентября, 2011 Гарантий нет никаких и никогда. Есть обоснованные надежды. Но если машина встанет, то начнется засос воды во все щели. Двигатель - хороший пылесос. В результате затопление кузова будет происходить усиленными темпами. Если ненароком закрыть форточки (а вдруг автоматика сработает), то экипаж может получить баротравму. При попадании воды в двигатель (мало ли откуда) возможен выброс в салон дыма (обратный выстрел). Это не я придумал. Это обычные правила для подготовки автомобилей к трофи. Цитата
Quat Опубликовано 12 сентября, 2011 Жалоба Опубликовано 12 сентября, 2011 (изменено) Прочитал все иии... не понял, что там сверху коробки и раздатки и как эти "клизмы" заменить шлангом? И все на передний мост, который с грибком, прям так натягивали шланг? Попробовал и мне не понравилось! Малейшая ветка жесткая и шланг слетел... Хомут там мало чем поможет. Штуцера можно поставить везде? Изменено 12 сентября, 2011 пользователем Quat Цитата
kotya Опубликовано 19 сентября, 2011 Жалоба Опубликовано 19 сентября, 2011 Это не пляжик! Это брод через реку Нара, по которой несколько раз в день проезжают рузовики! А пляж немного подальше! Просто лень было до нее идти в такую жару. Цитата
Гость Евген Прикубанский Опубликовано 20 сентября, 2011 Жалоба Опубликовано 20 сентября, 2011 Саш, тебе, к твоей идеальной делике, надо прикупить потрёпаную, чтоб не жалко было дырявить и сделать из неё боевую... Цитата
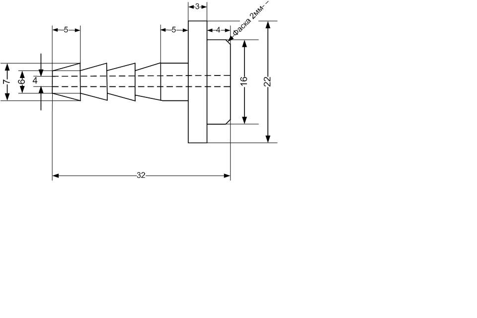
Jonik Опубликовано 21 сентября, 2011 Жалоба Опубликовано 21 сентября, 2011 Ну вот и пришло мое время выводить сапуны, т.к. надоело сливать эмульсию с переднего моста. Т.к. на родной короткий пластиковый сапунчик небыло не малейшей возможности нормально натянуть трубку чтобы она нормально держалась, было принято решение сделать металлический штуцер. Т.к. у меня небыло возможности сделать замеры не снимая переднего редуктора, а у Ser-Bat такая возможность была, он снял размеры и сделал чертежик, за что ему большое человеческое спасибо. По чертежам был изготовлен сапун. Далее начался процесс снятия крышки переднего редуктора, могу сказать сразу что полностью редуктор снимать не надо, достаточно просто открутить 4 падушки на которых он весит и аккуратно опустить его немного вниз, поворачивая крышкой вниз. Далее откручиваем "лыжу" в которую впресованы подушки со стороны левого колеса и вуаля... крышка готова к снятию. Далее вытащил родной пластиковый сапун, вставил металлический, заварил и покрасил. Вот что получилось На него надел пластиковую трубку, посадил на хомут и вывел ее под капот. 1 Цитата
Аргада L300 Опубликовано 18 июня, 2012 Жалоба Опубликовано 18 июня, 2012 вот решил поднять тему водных процедур.. на выходных утопил свой кирпичек ... вообщем получилось такая история, ездил на рыбалку, при возвращении решил срезать путь и пошел через брод (хотел как лучше получилось как всегда). Сначала проверил глубину, около 70-80 см, может быть чуть больше. дно песчанное, брод длинный, метров 30. вообщем, набрался смелости и нырнул в воду. машина проехав метров 10 заглохла. вообще сразу заметил, что как только вошла в воду машина потеряла обороты, как бы чего то не хватало. естественно, вода сразу залила почти все , единственное не попало в топливный бак, машина встала под наклоном, до горловины бака оставалось см 5. двигатель полностью под водой, сиденья, салон также, вообщем нырнул полностью, таким образом она "омывалась" около часа, пока ждали трактор. Трактор благополучно выдернул его (благо машина просто стояла в воде, т.е. не "окопалась", пробуксовки колес вообще не было). прождав немного начал сливать воду всех заливных пробок, снял клапанную крышку, вроде все обошлось, открутил свечи, буксиром прогнал воду с цилиндров, понятно вся электрика глючила, отключил страртер, вообщем через час буксиром завели мой кирпичек!!! до дома ехать около 50 км, сначало думал буксиром утащить, потом решил своим ходом, доехал без приключений, машина вела себя как обычно. каковы последствия таких купаний? понятно что предстоить замена всех жидкостей, может ли песок попасть в двигатель? и самый главный вопрос почему машина в воде не набирает обороты? до этого ездил на таком кирпичеке только автомате, примерно такой брод брал без проблем, садился на мост, окапывался, не не глохнул сразу. а эта сразу перестает тянуть. может причина в том что немного пропускает выпускной коллектор через прокладку, и еще глушак сразу за бочкой дырявый. Цитата
Ury Опубликовано 18 июня, 2012 Жалоба Опубликовано 18 июня, 2012 @Jonik, прикольно получилось А я тупо выламал клапан. Воткнул в отверстие резиновую трубку и замазал всё это дело холодной сваркой. Цитата
R.o.m.a.n. Опубликовано 3 августа, 2012 Жалоба Опубликовано 3 августа, 2012 На данный момент мучу с сапунами. Возник вопрос, если все сапуны ( с обоих мостов, автомата и раздатки) посредством одного разветвителя соединить и на выходе оставить одну трубочку диаметром на 8 мм. а её собсно вывезти в воздухан, хватит ли всем агрегатам такого сечения? Цитата
ГАНС Опубликовано 3 августа, 2012 Жалоба Опубликовано 3 августа, 2012 На данный момент мучу с сапунами. Возник вопрос, если все сапуны ( с обоих мостов, автомата и раздатки) посредством одного разветвителя соединить и на выходе оставить одну трубочку диаметром на 8 мм. а её собсно вывезти в воздухан, хватит ли всем агрегатам такого сечения? А внутреннее сечение у этой трубки какое? Цитата
R.o.m.a.n. Опубликовано 3 августа, 2012 Жалоба Опубликовано 3 августа, 2012 Внутреннее наверное 6-6,5 мм, трубка медная, от тормозной магистрали электропоезда, собсно и разветвитель оттуда же. Цитата
ГАНС Опубликовано 4 августа, 2012 Жалоба Опубликовано 4 августа, 2012 хватит на все три сапуна, не волнуйся, ставь. Цитата
Chaitan Опубликовано 7 ноября, 2012 Жалоба Опубликовано 7 ноября, 2012 мы на уазиках делали сапуны в камеру резиновую.... Цитата
blend Опубликовано 8 ноября, 2012 Жалоба Опубликовано 8 ноября, 2012 билин, толи я туплю, толи где... да где эти долбанные коробочно-раздаточные сапуны? нифига не нащупал... Цитата
R.o.m.a.n. Опубликовано 8 ноября, 2012 Жалоба Опубликовано 8 ноября, 2012 смотри в соседней ветке, тема называется сапун раздатки Цитата
R.o.m.a.n. Опубликовано 8 ноября, 2012 Жалоба Опубликовано 8 ноября, 2012 я объединил все сапуны в одну магистраль, пока выход оставил под капотом, позже выведу выше. Как и писал выше, использовал медную трубку от тормозной магистрали жд транспорта, 2 тройника оттуда же (плюс этих тройников в том, что они железные, приварил к одному кусочек уголка и притянул насмерть к кузову, дёшево, но зато надёжно) , плюс один тройничок от камаза ( он как раз разделяет сапуны акпп и раздатки и выводит в общую магистраль, идеальный вариант). В переднем мосту вварил кусок ключа 8-10 ( раньше были ключи-трубочки 8-10). подробных фоток нет, к сожалению. первое соеденение с передним мостом, за ним с акпп и раздаткой Цитата
D-mitriy Опубликовано 8 ноября, 2012 Жалоба Опубликовано 8 ноября, 2012 мага-основательно респегда! не проще было сапуны с автомата/раздатки пустить отдельным ходом? от них до "подкапота" ближе чем до тройника Цитата
R.o.m.a.n. Опубликовано 9 ноября, 2012 Жалоба Опубликовано 9 ноября, 2012 от сапунов акпп и раздатки до тройника 13 или 14 см, я не помню точно сколько Цитата
Рекомендуемые сообщения
Присоединяйтесь к обсуждению
Вы можете написать сейчас и зарегистрироваться позже. Если у вас есть аккаунт, авторизуйтесь, чтобы опубликовать от имени своего аккаунта.