hharn Опубликовано 27 мая, 2009 Жалоба Опубликовано 27 мая, 2009 Люди, где можно купить металлическую пластину, к которой крепится башня, и датчики температуры? Цитата
vitaly Опубликовано 27 мая, 2009 Жалоба Опубликовано 27 мая, 2009 hharn, могу заказать новую пластину, если надо то и датчики. Цитата
D_AVerk Опубликовано 28 мая, 2009 Жалоба Опубликовано 28 мая, 2009 Виталь, у меня сложилось впечатление что вольтметр очень относительно показывает уровень напряжения и долго выходит на режим Ну а компас+температура - красиво конечно, когда работает, но полезность относительна. Кренометр - не спорю, пускай живет Цитата
бусовод Опубликовано 28 мая, 2009 Жалоба Опубликовано 28 мая, 2009 (изменено) Тоже буду искать таинственный штекер под кренометр и датчик наружной температуры. За 2500 есть, но пока, увы! А место кренометра, поставлю датчик давления масла, например от шахи. Единственное придется отрезать оргстекло с зарисовкой кренометра и приклеить обычное. Под ободком стыка видно не будет, и одеть на лампочку зеленую резиночку, чтоб бы подсвечивалась одним светом с панелью приборов. Изменено 28 мая, 2009 пользователем бусоврд Цитата
dima Опубликовано 28 мая, 2009 Автор Жалоба Опубликовано 28 мая, 2009 Я уже помойму писал, что нашёл два датчики на Осташовской разборке. Там морды пилиные рядами стоят, есть и от делик. Продавцы зачастую тупят или ленятся сходить выдернуть этот датчик. Кстати на место внутреннего воткнул наружний, вроде как не врёт. Щас там все железки огородили, а раньше без проблем мелочь можно было посдёргивать. Так что обращайтесь к продавцам понастойчивей. Да будет вам температура на улице и в салоне! Цитата
vitaly Опубликовано 28 мая, 2009 Жалоба Опубликовано 28 мая, 2009 D_AVerk, да вольтметр излишне энертный. расценил сегодня для прикола шарик кренометра выходит под 5000 рублей. Цитата
бусовод Опубликовано 28 мая, 2009 Жалоба Опубликовано 28 мая, 2009 (изменено) Хоть и не в тему, но датчик температуры наружного воздуха готов приобрести за разумные деньги. vitaly Может у вас, подешевле будет? Изменено 28 мая, 2009 пользователем бусоврд Цитата
Председатель Опубликовано 28 мая, 2009 Жалоба Опубликовано 28 мая, 2009 hharn могу просто отдать пластину. У меня стояла вся эта прибЛуда(крЕнометр,температура,вольтмеТр)ИМХО все крайне бесполезное. Буду по дороге на Алтай 21 июня-пересекемся,отдам Цитата
SLK 79. Опубликовано 9 июня, 2009 Жалоба Опубликовано 9 июня, 2009 Уважаемый Garre kiv,если можно,то хотелось бы взглянуть на эл.схемку надстройки.Конкретно интересует подключение термометра.Заранее спасибо! Цитата
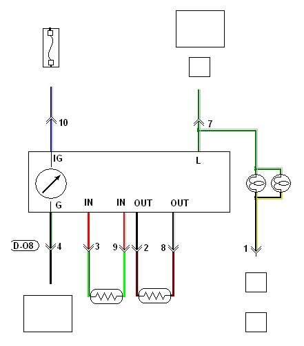
Garre_kiv Опубликовано 14 июня, 2009 Жалоба Опубликовано 14 июня, 2009 Не найдя нужного разъема я пошел простым путем, + подключил к разъему на который подается питание магнитолы при повороте ключа зажигания, землю все равно где прицепить, а подсветку также с провода подсветки магнитолы, датчик температуры в салоне (он на схеме OUT) на свое место, полярность не критичьна так как это термо-пара его провел куском провода от клавиатуры для ПК, уличьный это IN еще не цеплял так как надо провод до него прокинуть. Цитата
мощный Опубликовано 19 июня, 2009 Жалоба Опубликовано 19 июня, 2009 У меня башни от роду не было, а разъем для нее нашел сняв приборку.Все работает кроме парктроника (нет датчиков) Цитата
denya Опубликовано 10 ноября, 2009 Жалоба Опубликовано 10 ноября, 2009 Прошу прощения за возможно глупый вопрос. У меня в башне кренометр, амперметр и термометр. Все работает за исключением термометра. На нем нарисован передок машины (по документации видел, что там должны темература за бортом и температура в салоне отображатся), но светится на термомтре всегда только "-E o". Подскажите, пожалуйста, что это значит? Цитата
Evgo Опубликовано 10 ноября, 2009 Жалоба Опубликовано 10 ноября, 2009 Где-то закорочено, смотри датчик температуры Цитата
denya Опубликовано 10 ноября, 2009 Жалоба Опубликовано 10 ноября, 2009 Evgo, спасибо! Буду смотреть. Цитата
denya Опубликовано 16 ноября, 2009 Жалоба Опубликовано 16 ноября, 2009 На СТО посмотрели и сказали, что вообще нет датчика под бампером (т.е. датчика температуры за бортом). Салонный датчик, как я понял, они и не смотрели. Странно. Как я понял из данной темы, "- Е о" пишется только тогда, когда именно закорочено, а если датчика нет, то температуры пишутся: за бортом - 29, в салоне - 26. Так? Цитата
Evgo Опубликовано 16 ноября, 2009 Жалоба Опубликовано 16 ноября, 2009 Для салона разьем под рулевой колонкой, белый, на 2 контакта. Для забортного датчика разьем черный, справа (по ходу машины) от радиатора, внизу. Смотри. Может где провода перекрутились. -Е0 - пишет когда закорочено Цитата
denya Опубликовано 16 ноября, 2009 Жалоба Опубликовано 16 ноября, 2009 Еще раз спасибо, Evgo! Походу на СТО и не смотрели ничего. Цитата
Vlad_B Опубликовано 10 января, 2010 Жалоба Опубликовано 10 января, 2010 (изменено) Может кто сталкивался с данной проблемой, на Делике - датчик наружный где то с -13 градусов начинает очень сильно врать температуру, т.е. в плюс все ОК, и до - 13 гр тоже все ОК, а далее врет как сивый мерин, на улице -22гр он -16 показывает, на улице -33 на градуснике -22 кажет, кто, что подскажет. или это датчик в морг... ? Изменено 10 января, 2010 пользователем Vlad_B Цитата
aleexx Опубликовано 10 января, 2010 Жалоба Опубликовано 10 января, 2010 Такая же хрень у меня. В плюсе и до-10-12 градусов не врёт... Минимальную температуру показывает -18, ниже не видел на нём. Мож кто сталкивался с такой праблой, знает где собака порылась? Цитата
Hartman Опубликовано 10 января, 2010 Жалоба Опубликовано 10 января, 2010 Ага у меня в этот год такое же приключилось!!!! самое большее до - 22 показывает....а на улице за -30...а где хоть он расположен кто знает??? Цитата
aleexx Опубликовано 10 января, 2010 Жалоба Опубликовано 10 января, 2010 С правой стороны за бампером внизу... Цитата
dim231179 Опубликовано 10 января, 2010 Жалоба Опубликовано 10 января, 2010 Вокруг датчика и сам датчик должны быть чистыми т.к. снег и лед в случае низких температур будет являтся термоизолятором. Цитата
alexvital Опубликовано 10 января, 2010 Жалоба Опубликовано 10 января, 2010 (изменено) А у меня, когда датчик был откдючён , он показывал -26, значит ниже этой температуры он показывать наверное не будет. Изменено 12 января, 2010 пользователем alexvital Цитата
Hartman Опубликовано 10 января, 2010 Жалоба Опубликовано 10 января, 2010 (изменено) за бампером справа это где то около сигнала???? а што из себя представляет датчег???? Изменено 10 января, 2010 пользователем Hartman Цитата
Vlad_B Опубликовано 10 января, 2010 Жалоба Опубликовано 10 января, 2010 А у меня, когда датчик был откдючён , он показывал -26, знит ниже этой температуры он показывать наверное не будет. нет не прав, все японцы до -30 показывают, у меня максимум на днях было -22 гр. в натуре было -33гр. на камри у меня кажет максимум до -30 на крузаке такая же хрень до -30 , по паспорту написано что не рекомендуется использование автомобиля при температуре ниже -30 градусов. так товарищи, как бороться будем с неверными показаниями термометра, я смотрю не только у меня такая хрень... Цитата
Рекомендуемые сообщения
Присоединяйтесь к обсуждению
Вы можете написать сейчас и зарегистрироваться позже. Если у вас есть аккаунт, авторизуйтесь, чтобы опубликовать от имени своего аккаунта.