GnorF Опубликовано 1 мая, 2006 Жалоба Опубликовано 1 мая, 2006 Я тут собрался поменять ходовку и заодно поднять тачку на 5 см. Вот по этому поводу решил новую тему открыть, чтоб вопросы задавали. Пока все в разобранном состоянии могу поснимать размеры какие надо ну и типа чертежей кого что интересует пишите. 1 Цитата
RUS Опубликовано 2 мая, 2006 Жалоба Опубликовано 2 мая, 2006 Внимание! Чрезмерное выкручивание торсионов вредит подвеске вашей машины:D они просто напросто могут лопнуть. Если же все-таки хочется приподнять немножко машину, ищите в нэте, или тюнинговых агентствах вот такой чудо наборчик. Спасибо за внимание :D Цитата
GnorF Опубликовано 3 мая, 2006 Автор Жалоба Опубликовано 3 мая, 2006 Для тех кому интересно инфа Лифт 50мм: 1. Матерьял - алюминевый сплав, идут 2 на отбойники, 2 под линки, 2 под шаровые и 1 под крепления ручника (заготовки плавил из старыч поршней), под пружины решил сделать проще и поставить капралон 2. Амортизаторы - задние Ниссан Сафари 60 кузов KYB газовые серые. Передние Бигхорн кузова незнаю (можно по номеру пробить), знаю что год 96 KYB MonoMax газовые. Все аморты однотрубники (жестковато думаю будет но посмотрим) 3. Все проставки высотой 50мм, под шаровую 25мм (смотрелеи японский каталог под шаровую они делают ровно в 2 раза меньше высоту, независимо от того на сколько подымают). Перед по большому счету будет подыматься накручиванием торсионов, а проставка под шаровую должна снять часть нагрузки. Пока все. Завтра закончу болты и начну собирать. Потом фоты скину чего получится. 1 Цитата
Александр Опубликовано 4 мая, 2006 Жалоба Опубликовано 4 мая, 2006 Поднимал свою на 4 см при помощи проставок под нижнюю балку , верхнюю шаровую, делал подставки под двигатель, удлинял рулевую, удлинял шланг гидроусилителя , торсионы накрутил на 1 см . Итого получилось поднята на 5 см. Так как у меня грузопассажирский вариан и стоят рессоры - поставил прокладку между рессорой и мостам. Амортизаторы поставил RANCHO с учетом того что поднята на 5 см. Сделаю фото завтра и покажу. Цитата
GnorF Опубликовано 4 мая, 2006 Автор Жалоба Опубликовано 4 мая, 2006 (изменено) У нас комплект поднятия на 2 дюйма стоит около 57000 деревянных. В него входят: торсионы, пружины, амортизаторы и кой-какие резинки. Всё вроде японское Заказывал я комплект для лифта на 2 incha (я так понимаю дюйма), по идее 2 дюйма это порядка 50 мм ан нет, начали мерить аморты и прочая чехарда выше всего сантима на 2,5-3. Знакомый задирал Сафаря на 14 см, заказал как положено по каталогу 4x4 комплект на 7 inch (дюймов) отвалил за все это чудо около 2500 зеленью, а когда привезли таже бойда что и уменя вся трехомуть всего на 6,5-7 см выше, пришлось отдавать за пол цены. Как они мерят непонятно, все маде ин не наше. Вопрос к Александру, зачем так заморачиваться при подъеме на 4см, ну типа удлинять рулевую, проставки под двигатель. Опять же смотрели каталог японский они под двигатель лезут при подъеме на 10см, до 10 меняют только шланги и рулевую наращивают в редких случаях. Нафига все это нужно объясни? Изменено 3 марта, 2011 пользователем Garre_kiv Цитата
Александр Опубликовано 5 мая, 2006 Жалоба Опубликовано 5 мая, 2006 1. Если делать проставки между шаровой и рычагом более 4 см , то появляются проблемы с регулировкой развала и нужно ставить тормозные шланги большей длины. Если поднимать более 4см нужно изготовлять вставку между шаровой и ступицей. 4 см это предел. 2. Если не делать подстовки под двигатель то он опустится вниз так же на 4 см вместе с коробкой, тогда появятся другие проблемы. 3. По затратам - изготовление деталей у токаря 3000р. , амортизаторы 14000 р. Поднимал один, первый день перед, второй день зад. Фото сделаю позже т.к плохая погода. Цитата
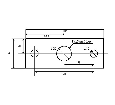
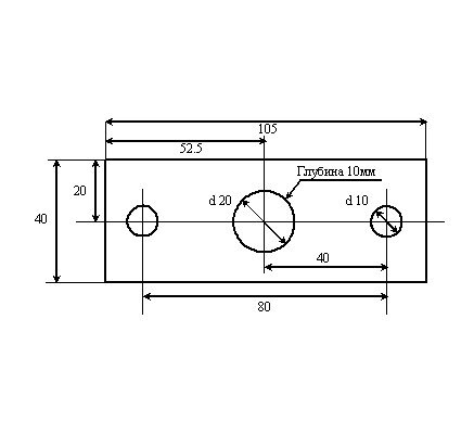
GnorF Опубликовано 11 мая, 2006 Автор Жалоба Опубликовано 11 мая, 2006 Все собрал. Вот что получилось перед поднялся на 6 см, зад на 7см. Весь комплект до установки И чуть не забыл судя по фото проставки под пружины делаеш не из металла а из чего? Это капралон . Как правильно заметил Александр чрезмерное поднятие ведет к проблеме с развалом, когда собрал перед был примерно таким \ - / когда приехал на развал мастер меня спрашивает типа ты че с ней делал. Но как оказалось все нетак страшно и до нормальных значений при таком подъеме можно вернуть (экцентрики вывернул на максималку). Немного нестрельнуло правое колесо, но это был мой косяк перетянул торсион. Чертежи ниже. Нет рисунка проставки под шаровую потому как делается она просто путем обрисовки. Вид шаровой с проставкой после установки Собственно чертежи Цитата
Александр Опубликовано 15 мая, 2006 Жалоба Опубликовано 15 мая, 2006 Сделал фотографии, чертежи не сохранил. Цитата
GnorF Опубликовано 16 мая, 2006 Автор Жалоба Опубликовано 16 мая, 2006 Да и еще на чертежах нет высоты деталей черкни пожалуста. Ну и по поводу капралона сегодня пообщался с корифеем токарного искуства, так вот он мне оведал вот что,капралон штука класная но на морозе становится очень хрупким и может лопнуть! Как думаеш а? :ph34r: Помоему я уже гдето писал что высота всех проставок 50 мм, под шаровую 25мм. По части капралона, незнаю при какой температуре капралон лопнет, но точно заню у нас такой температуры нет. На флоте повсеместно используют капралон в зверских условиях работает, мне мужики сразу сказали ставь и непарься даже. Цитата
Hunter.ru Опубликовано 16 мая, 2006 Жалоба Опубликовано 16 мая, 2006 Александр Шланчик тормозно не сильно натянут??? Цитата
Александр Опубликовано 16 мая, 2006 Жалоба Опубликовано 16 мая, 2006 Натянут, если сделал проставки больше пришлось менять на длинные. Заменить шланги на длинные это не проблема. Проблема появляется если сделать проставки более 40 мм - не получится вывести развал колес. У меня регулировочные болты практически вывернуты до утора(эту проблему я слегка решил небольшим накручиванием торсионов - я уже писал, что 10 мм подъема получил за счет накручевания торсионов). Думаю эту проблему можно решить если делать проставку между шаровой и поворотным кулаком это при подъеме более50 мм. Одним словом приходится доходить до всего своим умом и учиться на своих ошибках. Возможно вместе мы найдем найлучший способ поднятия и это будет опыт российских делиководов по лифтингу. Цитата
Александр Опубликовано 17 июля, 2006 Жалоба Опубликовано 17 июля, 2006 На фото видно что форма проставки в виде параллелограмма, острый угол которого равен 40 градусам. Пока больше ни чего не могу добавить. Постараюсь найти сваи расчеты , после напишу больше. Цитата
Duha™ Опубликовано 2 августа, 2006 Жалоба Опубликовано 2 августа, 2006 Вот в данной теме много описано про поднятие авто в новом корпусе (носатая) а про квадратную кто то может что нибуть сказать рассказать как ее поднять если можно с чертежами Блин! ну так ведь есть же тема для квадратных - http://www.delicaclub.ru/forum/index.php?showtopic=482 ;-) Цитата
VEGAS Опубликовано 22 октября, 2006 Жалоба Опубликовано 22 октября, 2006 Кстати.. НАРОД!!! В чертежах, если так можно выразиться, от г-на GnorF Есть ряд существенных недостатнов и неточностей! К примеру, во вставках под линки отверстия должны располагаться ближе друг к другу ... да и сами эти вставки - короче должны быть.. да и отверстия на d8 - малы... там как минимум - на d10 надо.... В пролёте и размеры вставок под отбойники... кроме того - не указаны размеры "скосов"... Цитата
shakh Опубликовано 5 июля, 2007 Жалоба Опубликовано 5 июля, 2007 Только сегодня с утра до познего вечера занимались лифтовкой на 5см. Попутно отремонтировал ходовку. Отреставрировал рейку. Короче от того что было она поднялась спереди еще на 6см. Сзади на 13см. Теперь от пола до верха колесной арки спереди - 91см, сзади - 98см. Поставил аморы RANCHO RS9000. Комплект проставок, заменил пружины. Было честно говоря не до фоток. Завтра все отфотаю и выложу. Ксати, как говорилось в теме, первоначальные чертежи не совсем корректны. Попоробую выложить тоже подробные чертежи. Цитата
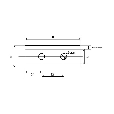
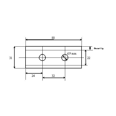
shakh Опубликовано 11 июля, 2007 Жалоба Опубликовано 11 июля, 2007 Ну и сами чертежи. Думаю достаточно подробно. 1 Цитата
shakh Опубликовано 13 июля, 2007 Жалоба Опубликовано 13 июля, 2007 Тут спрашивают про регулятор тормозного усилия. Работает он следующим образом - при торможении основной вес машины приходится на передние колеса. Задние при этом разгружаются и могут заблокироваться(если нет АБС). Чтобы этого не случилось регулятор в зависимости от наклона кузова вперед(интенсивности торможения) частично перекрывает заднюю тормозную магистраль. Насчет амортизаторов.... При лифте придется заменять все аморы. Потому как ход увеличивается на 3 - 6см. Если оставить родные то они будут идти на разрыв. Так они проходят недели две, не больше. Или есть вариант сделать ввертыши на передние аморы и изобрести кронштейн на задние. Цитата
Дмитрий Опубликовано 16 июля, 2007 Жалоба Опубликовано 16 июля, 2007 To Shakh: А какая модель аммов на зад? 9000 это как я понимаю серия... И насколько необходимо ставить регулируемую тягу? По регулятору тормозов - у меня и без проставки он попадает в нужный диапазон при регулировке. Цитата
shakh Опубликовано 16 июля, 2007 Жалоба Опубликовано 16 июля, 2007 Если задний амор с верхним штоком, то №9009. Регулировку после испытаний поставил на "2". Без нагрузки. Когда груженный то на "4-5". Цитата
HARU Опубликовано 9 августа, 2007 Жалоба Опубликовано 9 августа, 2007 Попался вот такой комплект..... http://www.jaos.co.jp/Vcmain/modules/prdct...AR&key_text, делов то - 50 т. с доставкой по РФ Цитата
Эд Опубликовано 9 августа, 2007 Жалоба Опубликовано 9 августа, 2007 Вот увидел, продают http://auto.japancar.ru/jc/view/auto/A531269.html Это что за лифт такой? Может кто разжувать? Потому как себе хочу такой же... Цитата
namka Опубликовано 13 августа, 2007 Жалоба Опубликовано 13 августа, 2007 Вот увидел, продают http://auto.japancar.ru/jc/view/auto/A531269.htmlЭто что за лифт такой? Может кто разжувать? Потому как себе хочу такой же... вот такой лифт я возмусь скопировать со своего авто поднимается сантиметров на 20 или более под брюхом 50-60 см, помещается 20 литровая канистра с запасом (придется все снимать), если наберется не менее 10 желающих деликаводов, в этом комлекте будет: проставка под шаровую, подрамник, рычаги, пружины, раздатку, удлиненные рычаги, поперечная тяга, болты, тормозные шланги, шланг на мост (по желанию), аммортизаторы (по желанию) ранчо или каяба, или токико (самые дешевые до 1500 руб за штуку). с таким лифтом проблем с геометрией подвески, развалом нет, ходы подвесок огромные в триале можно учавствовать (при лифте в данной теме если спереди установлены амморты от бигхорна при езде по ухабам хода сжатия амморта не хватает (т.к. отбойник нижний не увеличен) и его всегда пробивает, авто садится не на отбойник как положено конструкцией, а на амморт, отсюда нагрузка на амморт, крепление амморта, ну и сам рычаг), хода на вылет нет вообще 1,5 см (если отбойник не срезан и переварен как у ДИРа или укорочен ножом) поэтому авто в поворотах пытается оторвать от земли переднее разгруженное колесо, да и комфорта нету т.к. при попадании в яму колесо не отыгрывает, а просто упирается в верхний отбойник и тащит за собой в яму авто "эффект болванчика", авто не подвеской, а "кузовом" проходит все ямы. теперь очередь задней подвески: ход на "вылет" задней подвески минимален (т.к. он почти весь уже выбрат проставками под пружину) плюс нарушение геометрии колесо стремится к центру машины и вправо т.к. поперечная тяга не удлинена (авто едет боком т.к. мост смещен вправо, на компьютерном стенде развала это видно). вроде как все сказал, знаю все из собстенного опыта (сам лифтовал по этой теме, предыдущую делику). Цитата
shakh Опубликовано 13 августа, 2007 Жалоба Опубликовано 13 августа, 2007 И по проставкам...Это весь комплект на зад? На перед там только такие ммм.... сложной формы, как кленовый лист? Я угадал ;-) ? Получается впереди больше нигде не лифтуется (конкретно у тебя)? Или нет? И сзади... поперечный стабилизатор удлинял что-ли? Да, вперед идет только одна проставка(пара). Типа кленовый лист. Проставка 25мм, перед поднимается на 30-35мм. Плюс еще подтянул торсионы. По поперечной тяге(панара) - удачно нашел на разборке. Нержавейка, вся такая бля-я-ястящая. Родное растояние по осям панары 105,5см. При лифте раздвинул еще на 1 см. Вроде нормально. Ну и конечно аморы. Цитата
Рекомендуемые сообщения
Присоединяйтесь к обсуждению
Вы можете написать сейчас и зарегистрироваться позже. Если у вас есть аккаунт, авторизуйтесь, чтобы опубликовать от имени своего аккаунта.